Wer auf's Geld achten muß hat mit dem S2000 das falsche Auto.
Nur meine Meinung.
Beiträge von bpaspi
-
-
Hi Chris,
eigentlich sind nicht viele Teile US-spezifisch. Aber selbst die solltest Du problemlos hier bekommen. Die Honda Händler müssen meist sowieso erst die S2000 aus Japan ordern, da dürfte es dann egal sein was die bestellen.
Ich würd' den 2,2l nehmen. Allein schon wegen des besseren Durchzugs. Aber es sollte alles für die deutsche Zulassung umgebaut worden sein.
Übrigens, der Vorbesitzer meines S2000 hatte damals auch geheult
-
Zitat
Original von photo-S
...Servo hater auch, aber immerhin keine elektrische Lenkung..
Hater nich?
-
Zitat
Original von X-Men
OEM ist KunststoffIst das Dein Ernst?
-
ein neuer Kühler (OEM Style) kostet um die 100 Euro.
Und die sind auch aus Alu. -
Zitat
Original von Yoda@S2k
Glaube irgendwas mit dem Motoransprech Verhalten. War wohl unfahrbar. Gab zuvor nen Update von Renault. Das war wohl nichts. Ähnlich wie ne verbuggte Version von Andriod oder iOS!

Akku abziehen hat leider nicht geholfen.
Zitat: "Mittlerweile sind laut 'auto motor und sport' die genauen Hintergründe ermittelt: Es geht um den Benzinsensor.
Das Teil ist eigens für die Formel-1-Saison 2014 und das 100-Kilogramm-Spritlimit von einem Zulieferer konstruiert worden. Es misst die Durchflussmenge. Im Freien Training am Samstagvormittag meldete es der FIA bei mehreren Autos, darunter auch beide Red Bull, Spitzen weit über der neu eingeführten Begrenzung. Der Weltverband stellte seinen Algorithmus um und desensibilisierte so das System, wies aber auch die betroffenen Teams an, die Motorenkennfelder anzupassen. Die Sache ging bei Red Bull und Vettel daneben."
Na wie toll
Und Ricciardo wurde wegen des Teils disqualifiziert. -
Vettel kam im Qualifying nur auf Platz 13 - sein Teamkollege auf Platz 2.
Gleiches Material - nur unterschiedliche Software. Das hat nix mehr mit Fahrerqualität zu tun. -
Zitat
Original von Yoda@S2k
.Und hier braucht keiner mit Langeweile kommen, den als McLaren mit Honda 15 von 16 Rennen gewann mit Senna und Prost fanden es auch alle toll das Duell!Kann man so nicht vergleichen, denn die beiden waren von der Persönlichkeit her interessant auch neben der Rennstrecke. Da waren zwei Spitzenpiloten im gleichen Team - das musste knallen.
Die ganze elektronische Regelung verlagert das Renngeschehen mehr in Richtung Team (Konzept, Komponenten, Programmierung, Steuerung) und weg vom Fahrer. Kann man gut finden, nur ist dass dann kein Sport im eigentlichen Sinne mehr - eher ein Teamwettbewerb.
Die ganze Elektronik-Steuerung führt wahrschienlich dazu dass in ein paar Jahren die Rennen auf 'ner Playstation gefahren werden und dann in's Wohnzimmer gestreamt werden...
-
Gefällt mir das sich jemand mal bedankt. So jemandem helfe ich gern wenn ich mal was dazu weiß.

-
Kein Widerstand. Einfache Drahtschleife. Muß aber handlich sein da man relativ schnell an- und wieder abstecken muß.
-
Die Turbo Ära war damals Ende der 80er die beste Zeit wie ich finde. Da waren die unterschiedlichsten Konzepte am Start, noch ansehnliche Autos, manuelle Bedienung und das Ganze mit dem stärksten Triebwerken die jemals im Motorsport eingesetzt wurden. Der 4-Zylinder BMW hat mit einem Serienblock (aus den 70ern) damals bis zu 1450PS bei über 5 bar Ladedruck auf die Räder geschickt. Manuell geschaltet!
http://www.youtube.com/watch?feature=…e&v=sa96-rneVLI
Da kommt der Sound nicht richtig rüber, ist ein Wiederaufbau vom letzten Jahr.
Aber hier

http://www.youtube.com/watch?v=gHMD2aaOIvIHeute völlig überreglementiert (so hat man damals auch die DTM kaputtgekriegt) und absolut hässliche Karren. Für diese Nasen sollten die Teams Punktabzüge wegen Ästhetikverletzung bekommen!!
-
Wenn ihr meint

Ich würde übrigens niemals einen S2000 kaufen wenn der Besitzer kein Motul 300V als Motoröl verwendet hat. Meiner Meinung nach (nur meine Sicht!) hat der Besitzer dann an der falschen Stelle gespart. Der kennt dann den Motor nicht und so eine Karre sollte man besser meiden.
Finde den Fehler.....
-
Soviel ich mitbekommen habe, wurde bei seinem Motor ne geänderte Software draufgeladen und das war wohl'n Griff in's Klo. Der Wagen konnte anscheinend kaum noch beschleunigen.
-
Über einen Ölfilter einen Wagen bewerten. Ja sicher....
Haben wir schon den 1.April? -
Hmm, könnte man mal probieren, bei mir hat der Drehmomentsensortausch nichts gebracht. Wenn's bei dem Kollgen aus s2ki.com geholfen hat, OK...
Der kostet aber auch so um die 300Euro, da ist's bis zu einer gebrauchten Lenkung auch nicht mehr weit.
Die Grundeinstellung des EPS ist im Werkstatthandbuch beschrieben. Hab ich versucht - brachte gar nichts.
-
Ich bin nicht so tief in's Detail vorgedrungen - die Teile die ich demontiert hatte waren in Ordnung (ich hatte den Drehmomentsensor im Verdacht).
Das Problem scheint innerhalb der elektromechanischen Verbindung zu sein, also zwischen E-Motor, Spindel und Zahnstange.
Man kriegt dafür aber keine Ersatzteile, also kann man das nicht reparieren.
Wenn mir einer seine alte defekte Lenkung vermacht kann ich mal eine genauere Analyse machen. -
hab ich mal versucht. Keine Chance.
-
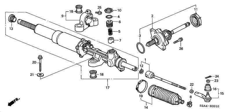
Wird teuer. Die Lenkgetriebe vom S2000 gehen oft kaputt. Deswegen sind sie so selten und auch sehr teuer.
Übrigens brauchst Du nicht immer zitieren - einfach auf Antwort klicken macht es übersichtlicher.
-
Ja mein ich.
Kenn ich so - zu einer Seite gehts normal, die andere Seite schwer und die Lenkung stellt nicht mehr von allein zurück. Man muß zurückdrehen. -
Lenkgetriebe im Arsch.
Crash gehabt?


