Beiträge von Blueworm

    Moin,

    mein Verdeck hat seit Jahren schon beidseits die üblichen Risse. Da man es beim Fahren nicht sieht (99% offen ;)) und es nicht rein regnet, blieb es bisher einfach so. Lediglich einen Flicken habe ich mal drunter geklebt und die Risse abgedichtet. Trotzdem ist das einfach nicht mehr schön und am Ende dieser Saison, soll endlich mal ein neues Dach drauf.

    Hab Haartz Verdeck über https://robbinsautotop.com/ ...
    Und mein Sattler in Hamburg hat es eingebaut. https://www.de-sattlerei.de/ ...

    Mega zufrieden

    Hallo Berz,

    hört sich ja gut an. Hast Du das Verdeck selbst aus den USA importiert oder hat die Sattlerei Ekselenski das besorgt?

    Mit denen bin ich im Gespräch:

    https://www.cabriozentrum.com/

    Jörg Dilge

    Cabrio Zentrum Osnabrück

    Moin Ottmar,

    falls Du dort weitere Einzelheiten hast, bin ich sehr interessiert. Laut einem befreundeten VAG-Händler aus Osnabrück, sollen die wohl sehr ordentliche Arbeit abliefern.

    Allerdings ist der S2000 ja kein Erdbeerkörbchen und gesehen, gehört oder gelesen habe ich auch noch von niemandem, dessen S dort eine neue Mütze bekommen hatte.

    ...Wetter ist TOP, ich muss erst mal los... :thumbup:

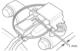
    Durch Zufall gefunden ein Tipp von Hella.com :


    Honda S2000 - Verzögerte Beschleunigung | HELLA
    Honda
    S2000
    Alle Modelle ab VIN-JHMAP1-5S200063
    Verzögerte Beschleunigung
    Wird bei diesen Fahrzeugen bemängelt, dass der Motor im Leerlauf schlecht läuft, bzw. beim Beschleunigen sich nur eine verzögerte Gasannahme einstellt, ist eine mögliche Ursache ein defekter Saugrohrdrucksensor. Zur Fehlerdiagnose sollte ebenso geprüft werden, ob eine schlechte Kontaktierung im Mehrfachsteckers des Saugrohrdrucksensors dass o.g. Fehlerbild verursacht. Um den Fehler zu beheben, muss beim Defekt des Sensors der Saugrohrdrucksensor erneuert werden. Sollte der Fehler durch die Kontaktierungsproblematik ( z.B. vibrationsbedingt) im Mehrfachstecker des Saugrohrdrucksensors verursacht werden, besteht hier die Möglichkeit den Sensor mit einem Kabelbinder zu fixieren, Spaltmass beachten (siehe Foto).

    [Blockierte Grafik: https://www.hella.com/techworld/assets/images/bi_d_electronics_honda_s2000_verzoegerte_beschleunigung001.png]

    Moin, Moin,
    habe auch Post (1:18 Uhr) von der einsamen "katrina":

    Angemeldet hier seit gestern.
    Übers Board hier keine Nachricht. Pisht da jemnand die Mailadressen hier?

    Da sollte mal jemand der Admins drauf sehen.


    katrina Anfänger

    • Mitglied seit 3. April 2020

    Letzte Aktivität vor 18 Minuten, Betrachtet die Startseite des Forums

    Moin!
    Bei 50k und Viersitzer mit Dampf könnte man sich auch mal das Tesla Model3 angucken.

    Hab ich gemacht und fahre jetzt das Model 3 Performance.
    Ein Auto das diese Fahrleistungen mit der Alltagstauglichkeit kombiniert, gibt es m.E. nicht.
    Blöd nur, dass meine Frau den immer fahren will und die Tüchter ständig nerven, dass sie mit dem Tesla fahren wollen.
    Offensichtlich KEIN Männerauto :P .
    Wenn ich den fahre aber doch wieder. Macht echt schwindlig.
    Der S2K bleibt trotzdem fürs Schönwetterfreizeitfahren.

    Ich meine die, die sich einen gefälschten Porsche andrehen lassen. Nicht ganz selbst schuld, aber irgendwie doch ein wenig zu blauäugig.
    Bzgl. Diebstahl: Ein Porsche 911er hat schon einen angemessenen versicherungsrelavanten Zeitwert. Das wäre bei meinem S nicht so.

    Auf Grund der geringen Nachfrage werden die OTEK Sets bis auf weiteres nicht mehr produziert.
    Das gilt sowohl für die Preface als auch die Facelift Variante. Der Invest für eine neue Charge wäre
    zu hoch, daher muß ich euch leider enttäuschen.

    Zudem haben sind in letzter Zeit Dinge im Forum vorgefallen die mir - neben den kommerziellen
    Einschränkungen - schlichtweg die Lust genommen haben hier weiter zu investieren.

    Somit "End of Story".

    Habe ich da jetzt etwas falsch verstanden?
    Ich fasse mal meine Eindrücke als, sozusagen "Follower" deines Projektes zusammen:
    Im Februar kündigst Du dein "neues Konzept", als Erfüllung "aller Wünsche die in den letzten Jahren...herangetragen sind" an.
    Es werde "in naher Zukunft ganz normal über den Shop verfügbar sein".

    Darauf folgen Aussagen der Interessenten hier, wie:
    "Top! HABEN WILL.", "Facelift Tacho würde ich Sofort Kaufen", "Sag bitte sofort bescheid wenn es verfügbar ist für Preface. Ich würds direkt nehmen." und "So jetzt hast du mich auch als Kunden."
    Es werden sogar kreative Namen und Strategien für die Vermarktung gesucht.

    Von Deiner Seite heißt es zur Lieferberkeit für die Faceliftversion: "Facelift dauert wahrscheinlich bis Ende April"
    Auf meine Nachfrage im Mai, die Antwort: "zumindest die Sets für die Pre-FL liegen in großen Stückzahlen fertig in der Werkstatt", aber Probleme mit dem Verkauf in Skeed.de: "Ich bitte euch also euch zu gedulden bis ich das "OTEK (OLED Tacho Extension Kit) offiziell anbieten kann."

    Dann im Juni: "...ENDLICH...Das OTEK ist lieferbar." AAABER: "Stand heute nur für PREFACE, Facelift folgt demnächst." (Für die Fahrer des Facelift-Modells also wieder/immer noch nix! =>Gut, zwei Monate Verzögerung entgegen Deiner Ankündigung aus dem Februar. Das ist akzeptabel, finde ich, da du ja eine Ein-Mann-Show darstellst. Also warte ich weiter ab.

    Dann Ende Juni Deine Ankündigung: "Die Platinen für die Facelift Version sind in Produktion, wenn alles klappt sind die ersten Sets Mitte Juli verfügbar." (JA! Es geht voran, freu!!!)


    Als sich weiterhin nichts auf Deiner Seite tut, frage ich Ende August dann hier mal nach und erhalte als Antwort:


    "Klar, ist lieferbar. Sorry, bin zur Zeit etwas unter Strom, sonst hätte ich's gepostet. Website etc folgt die nächsten Tage."

    Komisch, "Klar...lieferbar..." wird aber in seinem Shop nicht angeboten, will oder muss er die nicht verkaufen? Unter der Hand-Verkauf, oder was?! Naja, warte ich eben noch auf den Verkaufsstart auf Skeed.de.

    ABER, es tut sich weiterhin:... NIX!
    Als dann Anfang Oktober (also ein halbes Jahr nach deiner ursprüngliche Ankündigung der Verfügbarkeit!) ein anderer Interessent nachfragt, da auf Skeed.de immer noch keine Möglichkeit zum Erwerb der Facelift-Version besteht, erhält er o.g. Antwort mit dem Resümee:
    "End of Story"

    Danach noch etwas Rumgeschwafel über "Vorfälle im Forenumfeld" und Diskussionen über Wert und Preis (Auf so etwas lässt man sich als erfahrener Geschäftsmann nicht und schon mal gar nicht öffentlich ein).

    Dazu möchte ich nun doch meine Meinung hier darlegen:
    Technische Fertigkeiten und Fähigkeiten von Micha B bezweifle ich nicht.
    Wenn allerdings Herr Michael Berger als Inhaber der Firma "skeed! car-tuning" hier in der von mir zusammen gefassten Art beim Vertrieb eines seiner neuen Produkte vorgeht, dann zeigt das, dass es Erhebliche Defizite bei Zuverlässigkeit und Verlässlichkeit der Firma gibt. Ob es dabei eine kleine Nebenerwerbsfirma oder ein Weltkonzern ist, ist mir als Kunde dabei völlig egal.
    Insofern stimme ich der Aussage "Leider ist der Preis für dieses "gadget" viel zu hoch." zu. Dabei bemesse ich den Preis aber nicht in Euro, den empfand ich als völlig gerechtfertigt. Vielmehr habe ich als potentieller Kunde aber nun genug Geduld ("Preis"), Hoffnung ("Preis") und Enttäuschung ("Preis") investiert.
    Außerdem hätte ich bei meinem persönlich gewonnenen Eindruck viel zu viele Bedenken mit einem zersägten Originaltacho und einem Display ohne geprüfte Dauerfunktion und vor allem ohne den Service eines genialen Chaoten sitzen zu bleiben.

    Insofern auch mein Resümee:

    End of the Story!

    Die Felge wird es nicht sein denke ich. Derartige Geräusche, wenn auch nicht in dieser extremen Form, habe ich schon mal bei einem Reifen (war aber am Nutzfahrzeug) gehabt, der wegen Überladung und zu geringem Luftduck zu heiß gelaufen war. Dort zeigte sich beim Aufschneiden, dass sich die Karkasse abgelöst hatte.
    Besohl die Felgen mal neu und schneide den Reifen mal auf, dann wird sich schon zeigen, was da so knirschte.

    ...Ich fand im Web auch mit bissl mehr Mühe keinen Hinweis darauf, dass da was Anderes drin ist als der Standard...

    Stimmt, ich habe mich bisher gar nicht so sehr dafür interessiert. Wenn etwas aus meiner Sicht funktioniert, dann genügt mir das eigentlich.
    Im Netz wurde/wird nur immer mal wieder von "Vorderachspoltern" beim Standard-Golf 7 mit höheren Leistungszahlen berichtet.
    Das hat mein CS definitiv nicht. Es funktioniert. Vielleicht sind die Fertigungstoleranzen einfach auch nur geringer oder das Fahrwerk (er hat die adaptive Fahrwerksregelung) ist besser abgestimmt.

    Sehe ich anders. Gerade beim FWD ist es ja ein Leichtes, sich am Limit des möglichen Vortriebes ohne große Gefahr aus der Kurve zu katapultieren. Insofern ist es besonders wichtig, dass das am Limit besonders gut funktioniert. Genau daraus generierte der CTR die Faszination, die mich seit der Probefahrt ereilt hat. Der kann Sachen, die mein Accord mit der normalen Achse und nur der Hälfte der Leistung nichtmal zustande bringt. Und das ist 8o

    Okay. Dann kann ich dazu eben auch nur schreiben: It works.
    Und warum auch nicht? Tut es am 911er ja auch. Vermutlich hat hier aber auch die mechanische Differentialsperre einen wesentlichen Effekt?
    Mit dem DSG (welches beim CS gegenüber dem normalen GTI wirklich sehr gut abgestimmt ist) kann man einfach mit Wumms aus den Kurven heraus ballern.
    Da fällt mir ein: Die Megane RS, welche ich gefahren habe hatte glaube ich gar keine CUP-Ausstattung. Also keine mechanische Sperre. Mag ja sein, dass das entscheidender als die Achsgeometrie ist.
    Jedenfalls kann der CS auch lustige Sachen (Kasperbude eben ;) ), die weder der "normale" GTI noch ein "Normalofrontkratzer" kann. Das ist schon ein DEUTLICHER Unterschied und es macht Laune.
    Der knallt aus den Ecken... das ist schon fetzig.
    Nur macht mir (also MIR und das ist rein subjektiv) der S eben mehr Laune. Gerade auch, weil er m.E. anspruchsvoller zu fahren ist.

    Faährst Du einen S2000 wie einen CTR, fährst Du nicht mehr lange S2000

    Und genau DAS trifft, was ich damit meine :D .

    Bzgl. Type R und individueller Entwicklung, Griffe ins Regal etc. stimme ich zu. Nur muss man auch bedenken, das VW (mag man vom Konzern halten, was man will) einfach mehr im Regal herumliegen hat.
    So hat der CS etwa den größeren Turbolader (vom 300PS R-Motor) und das o.g. besser abgestimmte DSG gegenüber dem normalen GTI, so dass er sich wie ein ganz anderes Auto fährt.
    Andererseits gibt es am Type R definitiv ein paar Luftschlitze, die keine sind. So von wegen "alles der Funktion wegen".
    Gibt eben überall Licht und Schatten.

    Ein Bekannter mit ehemals Megane RS schrieb mal, dass es satisfying ist, sich von einem FWD mit quasi Power-Understeer aus der Kurve zerren zu lassen.

    Das gleiche stelle ich im CS ebenfalls fest und weiß, was er damit meint. Ist eben etwas ganz anderes, als beim Heckantrieb oder Allrad.
    Für meinen Geschmack aber nicht so entscheidend für den täglichen Fahrspaß.

    Im legalen Bereich der StVo ist das aber wohl sowieso nicht entscheidend. (Anders als beim S).
    Jedenfalls ist das von dir beschriebene und im CSS-Video erkennbare Vorderachsgezerre und -gestempel bei meinem CS nur im Grenzbereich erkennbar (dabei aber ganz ähnlich wie bei der von mir gefahrenen 2015er Megane RS).
    So ähnlich, wie Chattering beim Motorradfahren. Sollte man beherrschen können, kann man auch mal haben, aber nicht auf der öffentlichen Strasse, sonst senkt das die Lebenserwartung zu sehr :D .

    Bin noch nicht so wirklich firm mit der neuen Forensoftware und versuche es mal mit Mehrfachzitaten. Hoffe das klappt:

    Wenn Du da genauso voreingenommen aufgetreten bist, hat der Verkäufer Dir wahrscheinlich gleich angesehen, dass Du auch nur n Laberkopp bist und nicht kaufen willst. :D Sorry. Die Vorlage war zu schön. Nicht persönlich nehmen.Höre ich nicht zum ersten Mal, dass Händler da komisch sind. Mein Händler hat mir einen 2015er für nen ganzen Tag überlassen, obwohl ich sagte, dass ich den nicht neu kaufen werde. Vorher hab ich ähnliche Töne gespuckt wie Du... hinterher nicht mehr. ;)

    Daaas kann ich aber so nicht stehen lassen :P .
    Zu dem Zeitpunkt war ich noch gar nicht (vor)eingenommen, zumal ich vom Golf CS noch nichts wußte. Der Type R stand dort in schwarz, so waren die Plastikgimmicks nicht ganz so auffällig. Über Geschmack kann man nicht streiten, ich weiß. Aber mir gefällt er eigentlich auch nicht schlecht, aber besonders das Cockpit ist m.E. deutlich mehr als Mäusekino. Die Sitze sind Top. Die Luftschlitze und der Spoiler sind mir persönlich etwas "too much".
    Bzgl. Verkäufer und meiner Person:
    Da ich aus tiefster Provinz komme und mein Toyota/Honda-Händler allenfalls mal einen CR-V als "Top"modell zur Verfügung hat, war ich fern in der großen Stadt. Natürlich angemeldet und mit Termin. Aber sorry: Der Verkäufer war tatsächlich ein Laberkopp, hatte den Type-R glänzend in der Verkaufhalle vor seinem Schreibtisch stehen, selbst aber leider nur wenig Ahnung davon. Immerhin waren wir uns bzgl. Kaufpreis schon einig. Also nix: Kein Kaufinteresse. Vielleicht hätte ich Type R auch gekauft (meine kleine Tochter auch: "Papa, den kaufen wir!"), aber meine Frau war "zu vernünftig". Ihr ist aber auch der GTI zu viel ;( .
    Das aus für den Type R war es dann, als ich das erste mal in den CS eingestiegen bin. Recaros, Innenraumdesign etc. passte mir wie ein Handschuh. Und gefällt mir immer noch sehr gut, auch wenn es "nur ein Golf" ist.


    Achso :)

    Exakt. Reines Marketing. Sehr irrelevant für den zukünftigen Besitzer.

    Genau "Winterauto" ;) :
    Es musste ein PKW sein, der auch mal mit 5 Personen nutzbar ist und einen Kofferraum hat in den auch mal 2 Kästen Bier passen sowie eine Durchlademöglichkeit bietet.
    Und bzgl. Rundenzeiten: Genau, mir persönlich sowas von egal, denn:
    Der S ist sowas von langsamer als sowohl Type R, als auch CS, aber trotzdem bereitet er mir sowas von viel mehr Fahrvergnügen.


    Ganz genau. Zu schade! Selbst für blödes Alltagskilometerkloppen.

    Hmmm, also ich fahre mit dem S auch gerne zur Arbeit. Irgendwie habe ich dann immer so ein Grinsen im Gesicht.


    Ungeeignet ist ein krasses Statement. Die Rennstrecken sind voll von z.B. mit Megane RS. Und die Leute haben da echt Spaß. Die meisten davon sogar noch mit Leistungssteigerungen in die hohen 300er Bereiche hinein. MIT FRONTANTRIEB. Sagst Du das "ungeeignet", weil Du den GTI als Maßstab besitzt? Der Golf als Maßstab für alle Frontkratzer? Mit seiner Standard McPherson Vorderachse? Vielleicht hättest Du doch mal ne Probefahrt in der Kasperbude machen sollen? ;) Oder in nem Megane RS. Und solange Du das nicht gemacht hast, ist mir Deine Haltung bissl zu einseitig. Ohne scheiß... fahr doch mal einen. Da Du den GTI CS besitzt, kannst da tolle Vergleiche anstellen, vielleicht ja sogar mit heraus-normiertem Faktor "Optik".
    Ob nun FWD oder RWD, auf Landstraße oder Renne... ich finde, Spaß ist nicht gleich Spaß und FWD ist nicht gleich FWD. Das eine macht auf eine andere Art Spaß, als das andere. Das ersetzt sich nicht. Das überlappt nicht. Wieviel Spaß es ist, mit dem Type R die Nordschleife lang zu bügeln, oder mit dem GTI CS oder CSS, kann keiner sagen, der nicht beide gefahren hat. Den selben Spaß machen die drei jedenfalls keinesfalls, meine feste Überzeugung. Nur weil die Rundenzeiten in irgendwelchen herstellereigenen Videos ähnlich sind, werden das ganz unterschiedliche Erlebnisse sein, die man da bekommt, wenn man die Autos selbst einsetzt.

    Ungeeignet bezieht sich einzig darauf, die Nordschleife in möglichst schneller Rundenzeit zu bewältigen. Dafür taugt Frontantrieb gegenüber den anderen Konzepten nicht, (wie man ja an den Zeiten sieht).
    Das hat mit Spaß am Fahren nichts zu tun (s.o.).
    Deswegen sagte ich "ungeeignet".
    Der CS hat übrigens keine "Standard" McPherson Vorderachse. Im Vergleich zur Megane RS (ja, kenne ich und habe ich gefahren) mit dieser mdifizierten "ISAS?"-McPherson Vorderachse habe ich keine Nachteile er"fahren" können. Allerdings ballere ich bei einer Probefahr auch nicht bis ans Limit. Besonder gut ist beim CS die mechanische Differenzialsperre gelungen.
    Trotzdem glaube ich, dass der Type R technisch das bessere Auto ist.
    Nur gab es den leider nicht in der mir passenden Optik.

    Ansonsten: Kasperbude nenne ich meinen Golf CS auch im Alltagsgebrauch ;) .

    Kein Mensch braucht zum Brötchen holen 300PS und den ganzen Schnickschnack. Trotzdem macht es Spaß. Alles klar?

    Ich bin mit Benjamin (dem Fahrer von der Golf-Runde) 6Jahre in einer Klasse gewesen, ab und an schreiben wir noch. Ich sag mal ganz vorsichtig, die Golfrunde hat nicht ganz viel mit einem Seriengolf zutun.

    Dessen sind sich glaube ich alle klar.
    Ein CSS ist eben kein CS und das ist kein "normaler" GTI und der wieder kein "normaler" Seriengolf.
    Aaaber: Golf bleibt eben Golf. Das merke ich dem CS und insbesondere dessen Fahrwerk jeden Tag an.
    Da ist der S2000 mit seinem ganz anderen Konzept eindeutig das stimmigere Fahrzeug. Wenn mich Leute mit VW-Brille nach dem CS fragen, verstehen die mich dann einfach nicht, wenn ich nicht völlig begeistert reagiere und auf den S zeige (S-Zillus-Krank eben ;) ).
    Da darf es einfach nicht sein, dass ein 17 Jahre alter Honda aus meiner Sicht die bessere Fahrmaschine, als ein aktueller mit "Hightech" und Elektronik vollgepfropfter Golf ist.
    Aber wie ist das denn eigentlich beim Type R? Das ist doch auch "nur" ein aufgemotzter Civic. Wie beurteilst Du dessen Eigenschaften (spez. Fahrwerk) gegenüber dem S2000?

    Hmm, lese jetzt gerade erst, dass die Honda Kasperbude sich den Nürburgring Rundenrekord zurückgeholt hat (3 Sekunden oder so schneller als der Golf GTI CSS).
    Ich habe mir beide angesehen, aber nur den Golf durfte ich fahren. Der Honda-Händler war ein Laberkopp und nein, den dort vorhandenen Wagen dürfe keiner Probe fahren.

    Egal, ich hätte mir den sowieso nicht gekauft. Der Honda geht wegen des Designs für mich gar nicht (dafür ist Papa zu alt).

    So ist es der GTI CS als "Winterauto" geworden.
    Aber ganz im Ernst: Die Rundenrekordjagd mit beiden Autos ist doch eigentlich nichts mehr als ein Marketingding. Wenn ich da Spass haben will, fahre ich dort mit dem S! (Obwohl, mir ist meiner für sowas zu schade.)
    Die Frontkratzer sind dafür aus meiner Sicht einfach ungeeignet. Für zügiges Fahren auf der Landstrasse super, aber für die Renne? Nee, lasst mal. Da passt das Konzekt Frontantrieb m.E. nicht.