1. Forum
    1. Unerledigte Themen
  2. Dashboard
  3. Mitglieder
    1. Letzte Aktivitäten
    2. Benutzer online
    3. Team
    4. Mitgliedersuche
  4. Forumspate 2026-04 - S2kader
  • Anmelden
  • Registrieren
  • Suche
Dieses Thema
  • Alles
  • Dieses Thema
  • Dieses Forum
  • Forum
  • Seiten
  • Erweiterte Suche
  1. S2000 Owners Club Forum
  2. Forum
  3. MARKTPLATZ
  4. Pinwand Suche

Motorteil > ZK Entlüftungsrohr BILD

  • Hondissimo
  • 13. März 2016 um 14:04
  • Hondissimo
    Fortgeschrittener
    Reaktionen
    14
    Beiträge
    243
    • 13. März 2016 um 14:04
    • #1

    Moin

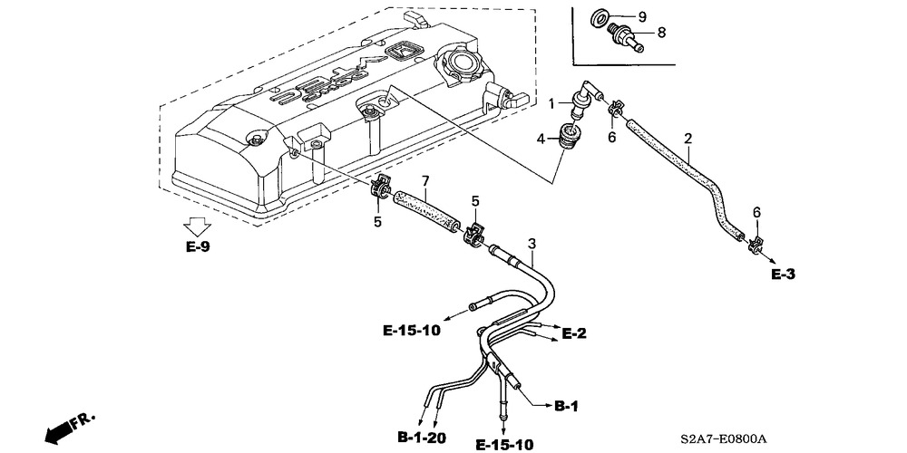
    suche dieses Teil gelb markiert, bzw Nr 3.

    Bilder

    • F20 Motorteil.jpg
      • 258,79 kB
      • 794 × 595
    • E__0800.jpg
      • 65,73 kB
      • 1.000 × 500

    [Blockierte Grafik: http://www.s2ki.com/s2000/uploads/gallery/album_36885/gallery_72906_36885_10089.gif]

    Einmal editiert, zuletzt von Hondissimo (13. März 2016 um 14:13)

    • Zitieren
  • Hondissimo
    Fortgeschrittener
    Reaktionen
    14
    Beiträge
    243
    • 16. März 2016 um 09:20
    • #2

    niemand?

    [Blockierte Grafik: http://www.s2ki.com/s2000/uploads/gallery/album_36885/gallery_72906_36885_10089.gif]

    • Zitieren
  • Hondissimo
    Fortgeschrittener
    Reaktionen
    14
    Beiträge
    243
    • 29. März 2016 um 09:16
    • #3

    keiner?

    [Blockierte Grafik: http://www.s2ki.com/s2000/uploads/gallery/album_36885/gallery_72906_36885_10089.gif]

    • Zitieren

Benutzer online

  • 5 Mitglieder (davon 1 unsichtbar) und 2.896 Besucher
  • Rekord: 31 Benutzer (8. August 2019 um 23:09)
  • 9000-rpm
  • Nero
  • PowerOfDreams
  • Django63
  1. Datenschutzerklärung
  2. Impressum
Community-Software: WoltLab Suite™ 6.1.18