DRINGEND! S springt nicht mehr an!

  • Zitat

    Original von Micha B
    Kennt jemand nen Trick wie man an das Teil rankommt? :?


    hats geklappt?

    "Racing, competing, is in my blood. It's part of me, it's part of my life. I've been doing it all my life. And it stands up before anything else.

  • Ja, hab ihn getauscht. :roll:

    Gleiches Problem noch immer..... lautes "Klack" und sonst nix. :?

    Für mich ist es fast unmöglich, dass das Problem am Anlasser liegt, zwei Anlasser, einer davon im ausgebauten Zustand geprüft, und dann der gleiche Fehler.

    NE!

    Der Fehler muß VOR dem Anlasser stecken.

    Wie sieht's aus mit der Zuleitung (nein, ich kann jetzt nicht mehr Spannung prüfen, da komm ich unter drei Stunden nicht mehr ran.
    Meines Wissens nach liegt der Anlasser direkt an der Batterie, oder?

  • EDIT:

    War gerade nochmals am S um wie im WHB beschrieben die Sicherungen zu testen, alle OK.

    UND PLÖTZLICH STARTET SIE !!! 8o 8o 8o

    Sowas hass ich ja... irgend ein Wackelkontakt... na, da kann ich jetzt echt wahrscheinlich ewig lang suchen... :x

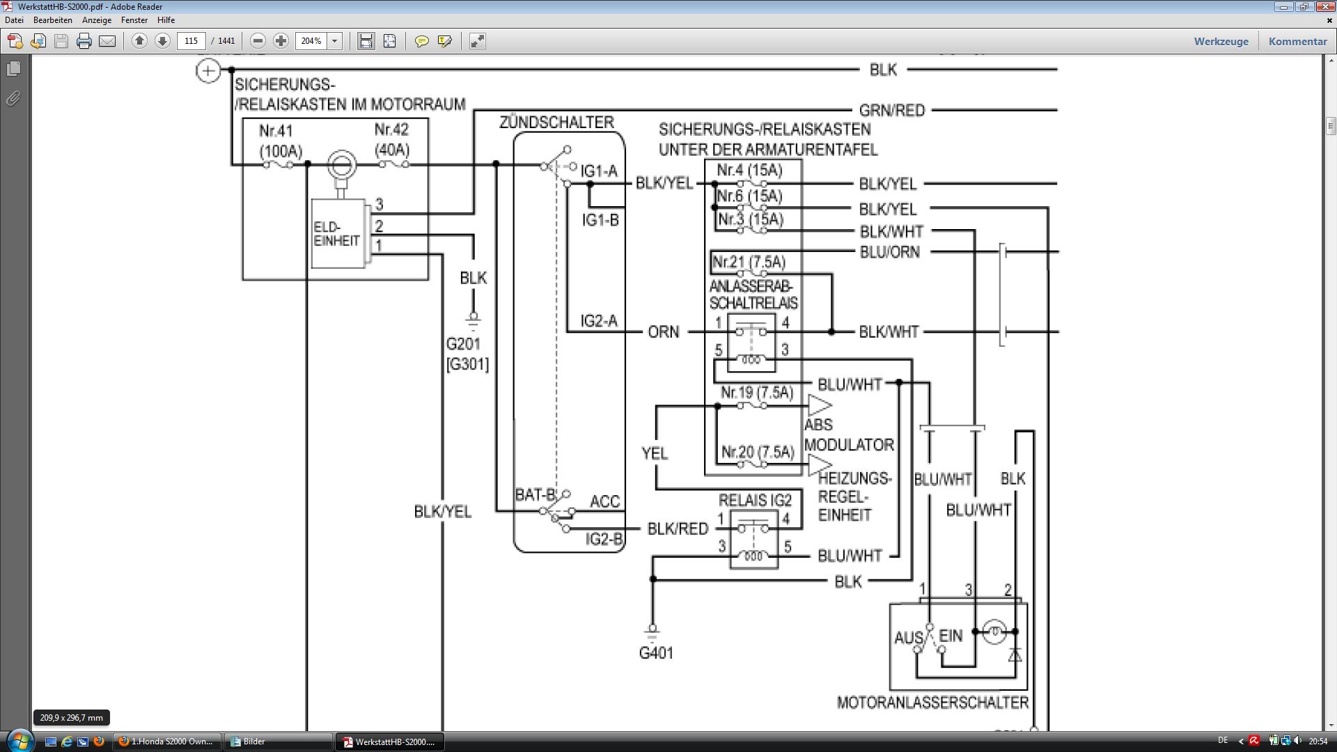
  • Check mal im Motorraum die linke (also von vorne rechts) kleine Sicherungsbox!
    Dort ist eine Art Strombrücke die den Anlasser direkt mit der Batterie verbindet ...evtl liegt dort der schlechte Kontakt.

    Hast du den kleinen Massekabelschuh überprüft bevor du ihn auf den neuen Starter gesteckt hast?

    "Racing, competing, is in my blood. It's part of me, it's part of my life. I've been doing it all my life. And it stands up before anything else.

  • Zitat

    Original von McHeizer
    Check mal im Motorraum die linke (also von vorne rechts) kleine Sicherungsbox!
    Dort ist eine Art Strombrücke die den Anlasser direkt mit der Batterie verbindet ...evtl liegt dort der schlechte Kontakt.

    Mach ich, die Strombrücke kannte ich noch nicht.

    Zitat

    Original von McHeizerHast du den kleinen Massekabelschuh überprüft bevor du ihn auf den neuen Starter gesteckt hast?

    Massekabelschuh? Du meinst den Erregerstrom für den Solenoid? Ja, der ist OK, sonst würde es ja nicht "Klacken". (der führt laut Handbuch übrigens "+" , nicht "Masse"....)

  • Zitat

    Original von Micha B
    Massekabelschuh? Du meinst den Erregerstrom für den Solenoid? Ja, der ist OK, sonst würde es ja nicht "Klacken". (der führt laut Handbuch übrigens "+" , nicht "Masse"....)


    ja stimmt! :blush:

    "Racing, competing, is in my blood. It's part of me, it's part of my life. I've been doing it all my life. And it stands up before anything else.

  • Zitat

    Original von Micha B
    [quote]Original von McHeizer
    Check mal im Motorraum die linke (also von vorne rechts) kleine Sicherungsbox!
    Dort ist eine Art Strombrücke die den Anlasser direkt mit der Batterie verbindet ...evtl liegt dort der schlechte Kontakt.


    Ne, Kontakt ist gut. Vermute fast inzwischen nen Kabelbruch.. weißt ja, wer den Wagen in der Hand hatte, da ist alles möglich. :roll:

    @All: Weiß jemand wie die Leitungsführung von der Batterie zum Anlasser ist? Geht hinter der Batterie in die Spritzwand rein und dann wo weiter?

  • Zitat

    Original von Micha B
    Weiß jemand wie die Leitungsführung von der Batterie zum Anlasser ist? Geht hinter der Batterie in die Spritzwand rein und dann wo weiter?


    geht einfach von re nach li unterhalb vom Windlauf und kommt dann an besagter Sicherungsbox an

    "Racing, competing, is in my blood. It's part of me, it's part of my life. I've been doing it all my life. And it stands up before anything else.

  • hai micha masseverbindungen würde ich auch mal checken .
    batterie > karosse ,motor >karosse ,das dort was oxydiert ist .

    viel erfolg

    Gruß Alexander G
    04.06.2002 - 28.01.2006 Silverstone Schwarz Rot
    28.01.2006 - 04.09.2019 Moonrock Bi Color Schwarz Rot

    Leave Me Alone,
    I Know What
    I´M Doing ! ;)
    K.Raikkonen

  • Nix oxidiert, Übergangswiderstand 60mOhm dank zusätzlicher Masseleitung.

    Zudem hätte ich dann in vielerlei Hinsicht Probleme, nicht nur beim Anlasser.
    Das Pro ist ja nicht, dass der Anlasser den Motor nicht anbekommt, sondern dass überhaupt garnix geht.

  • kannst das kabel was eric als masse kabel ;) bezeichnete mal durchmessen . ist geschaltetes plus .im schaltplan kommt es von dem anlasser abschaltrelais blk / wht zum anlasser. und relais mal ziehen und kontakte prüfen .relais könnte auch die ursache sein .

    Gruß Alexander G
    04.06.2002 - 28.01.2006 Silverstone Schwarz Rot
    28.01.2006 - 04.09.2019 Moonrock Bi Color Schwarz Rot

    Leave Me Alone,
    I Know What
    I´M Doing ! ;)
    K.Raikkonen

  • Zitat

    Original von Alexander G
    kannst das kabel was eric als masse kabel ;) bezeichnete


    jajaja.-.- da mache ich einmal :roll: einen fehler.. :P

    @ Robo:
    Wegfahrsperre unterbricht nur die Zündung. Alles andere geht

    "Racing, competing, is in my blood. It's part of me, it's part of my life. I've been doing it all my life. And it stands up before anything else.

  • Zitat

    Original von Alexander Gim schaltplan kommt es von dem anlasser abschaltrelais blk / wht zum anlasser. und relais mal ziehen und kontakte prüfen .relais könnte auch die ursache sein

    Neinnein, der Solenoid funktioniert (das metallische Klacken), der bekommt also Spannung, damit müssen alle Komponenten davor (Sicherung, Relais, Leitungen) i.O. sein.
    Kann eigentlich nur an der Hauptzuleitung von der Batterie liegen... :roll:

  • Zitat

    Original von Tiedchen
    Kann ich ja nach vollziehen, aber wenn es das ist musst du eh ran


    +1

    "Racing, competing, is in my blood. It's part of me, it's part of my life. I've been doing it all my life. And it stands up before anything else.

  • Zitat

    Original von Micha B

    Neinnein, der Solenoid funktioniert (das metallische Klacken), der bekommt also Spannung, damit müssen alle Komponenten davor (Sicherung, Relais, Leitungen) i.O. sein.
    Kann eigentlich nur an der Hauptzuleitung von der Batterie liegen... :roll:


    du weisst aber immer noch nicht ob genug spannung ankommt . wenn da zu wenig ankommt klackt der magnet nur .ich würde mal mit nem multimeter an dem kabel blk / wht am anlasser messen .


    @Eric ;)Spässle

    Gruß Alexander G
    04.06.2002 - 28.01.2006 Silverstone Schwarz Rot
    28.01.2006 - 04.09.2019 Moonrock Bi Color Schwarz Rot

    Leave Me Alone,
    I Know What
    I´M Doing ! ;)
    K.Raikkonen