Hi Leute!
Ich weiß das ich lange nichts mehr von mir habe hören lassen hier im Forum.
Freue mich aber sehr das es dieses Forum noch gibt und mein Account noch nicht gelöscht wurde.
Bin drann an meiner Sekundär Luft Pumpe da die immer noch kaputt ist. Habe mir derweil eine Austausch Pumpe besorgt, die aber nicht eingebaut, da ich Schiwierigkeiten hatte beim Abnehmen der Stoßstange. Da waren soviel Schrauben verostet und wenn ich mich richtig erinnere waren ein paar Muttern auch im Kunststoff und da hatte ich zu viel Angst was kaputt zu machen.
Also habe ich mich rann gemacht einen Last Widerstand zu besorgen mit einem Kühlgerippe um so die Fehlermeldung zu eliminieren.
Beim recherchieren wie das nun genau geht bin ich bei You Tube zunächst auf den Simulator von IZZE Racing gestoßen.
Das scheint mir der Königsweg zu sein da das Ding schön klein ist, nur 5 Adern hat und einfach im Fußraum beim Steuergerät zu verstauen ist ohne große Bauarbeiten. Also gleich das Teil in Amerika gekauft, ordentliche Versandkosten bezahlt, passt aber schon. 2 Wochen später war es da.
Derweil habe ich die Verkleidung schon abgemacht und mir das mal grob angesehen und hier im Forum mal geschaut ob jemand schon Erfahrung hat mit dem Simulator. Da habe ich gesehen das UncleHo bei seinem Leichtbau Projekt die Luftpumpe ausgebaut hat und den Simulator von IZZE ebenfalls benutzt hat. Dachte also super. Kein Problem. Funktioniert so einfach.
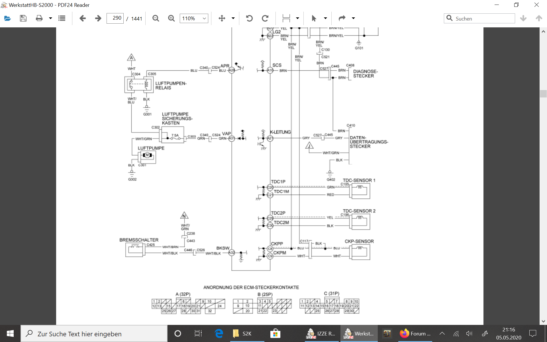
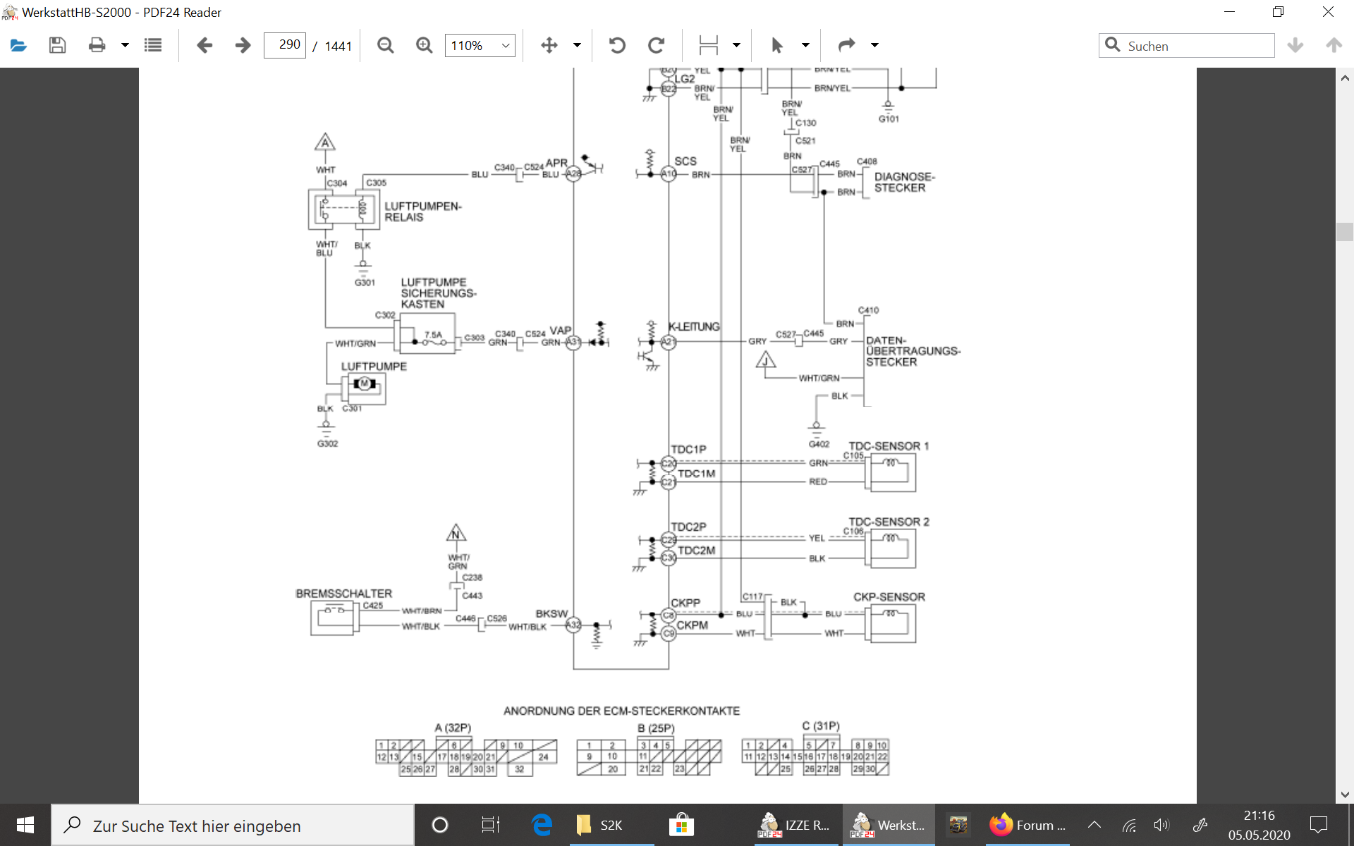
Heute wollte ich nun das Elektronikteil verbauen und schaue mir genau die Pinbelegung bei den 3 Steckern an..
Jetzt kommen wir zu meinem Problem und meiner Frage. Und vielleicht weiß ja speziell UncleHo weiter oder jemand anderes von Euch.
Laut dem Verdrahtungsplan soll die weiß/schwarze Ader aus dem 31 poligen ECM Stecker, Pin 24 getrennt werden und mit der weißen Ader des Simulators verbunden werden. Ich habe aber an dem Pin 24 gar keine Ader.
Mein S ist BJ 2000. Gab da wohl eine Änderung am Kabelbaum, Steuergerät und der Pinbelgeung.
Muss die weiße Ader nun "einfach" in den Stecker gesteckt werden oder ist es ein ganz anderer Pin/Ader?
Die anderen Adern und Pins stimmen überein.
Und noch eine Frage.. Laut IZZE sollen die anderen Adern gespleist werden. Darf ich somit die Adern nicht durchkneifen und trennen?
Ich würde mich sehr über eine Antwort freuen und noch mehr wenn ihr mir weiter helfen könnt und möchte mich dafür im vorraus schon mal bedanken.
Das Forum ist einfach TOP! Hier sind soviele Leute die echt richtig Ahnung von userem Schätzchen haben und bislang habe ich immer super Hilfe von Euch bekommen. Auch dafür nochmal. ![]()
Anbei ist der Verdrahtungsplan von IZZE zu finden.
Und hier der Link zur Website wo man sich die ganze pdf runterladen kann:
http://www.izzeracing.com/products/honda…_simulator.html


