Hallo
Ich habe bei meinem S vor allem beim Anfahren ein Lastwechselproblem, jedoch auch bei ca. 80km/h und 6G kann ich bei tiefer Drehzahl durch Gasstösse ein "schlagen" provozieren. Ich versuche es mal zu erklären
. Es fühlt sich so an als ob im Antriebsstrang spiel ist. Bereits ersetzt wurden deshalb die sowieso angerissenen Hinterachsgummilager. Wenn ich beim Anfahren Gas gebe fühlt es sich so an als ob erst ein Spiel "zwischen zwei Zahnräder" aufgehoben werden muss. Dann fängt er schlagartig an zu rollen, wenn man jetzt ab dem Gas geht, fühlt es sich so an, da von Last wieder auf Schub, das alte Spiel wieder aufgebaut wird und wenn man jetzt wieder leicht gas gibt, schaukelt sich das Auto auf.
Beim S handelt es sich um ein Langzeitprojekt, bei dem bis jetzt der Motor komplett mit Saugertuning neu aufgebaut wurde und der Rest des Antriebstrags sollte über die nächsten Winterpausen folgen. Somit Motor ca. 5000 km alles andere des Strangs ca. 205000km.
Habe heute auf dem Lift das Spiel im Antriebsstrang kontrolliert. Hier mal ein Video mit den Ergebnissen.
https://www.youtube.com/watch?v=PpWcGgrAhUs&feature=youtu.be
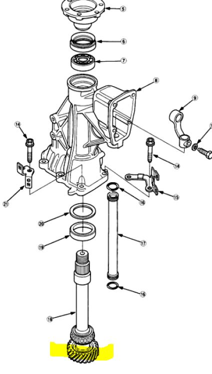
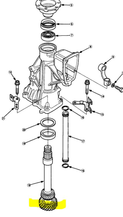
Dabei sieht man zu beginn das Spiel am Getriebeausgang im 6 Gang (hat in allen Gängen Spiel). Ist dies bei euch auch so gross? Habe dann auch mal auf der Hebebühne bei leicht angezogener Handbremse immer wieder den R kurz ein- und sofort wieder ausgekuppelt um einen Lastwechsel zu simulieren. Dabei hört man ein Schlagen im Getriebe. Habe noch ein Bild angehängt in welchem ich das Zahnrad der Sekundärwelle markiert habe. Wenn ich das richtig sehen, geht die Kraft von jedem Gang schlussendlich über dieses Zahnrad? Somit könnte hier zu viel Speil vorhanden sein zwischen den zwei Zahnräder? Oder eventuell Spiel in der Kupplungswelle zur Kupplungsscheibe? Ich denke der vergleich mit dem Speil an anderen S wird hier hilfreich sein.
Danach habe ich noch zwei kurze Videos von der Kardanwelle, welche Geräusche macht wenn man sie boxt
im Video integriert. Die Welle selber hat auf beiden Seiten leicht Spiel. Habe auch bereits die Suche benutzt und bin auf das Video mit dem Fetten der Welle gestossen. Denkt ihr das Geräusch, leichte Spiel kann mit dem fetten eliminiert werden? Hat dazu jemand Praxiserfahrung?
Danke für Eure Hilfe ![]()


