ZitatOriginal von S-enna_2000
Gerade diese Heizer-Fehler
Uhh, oh... die kenne ich
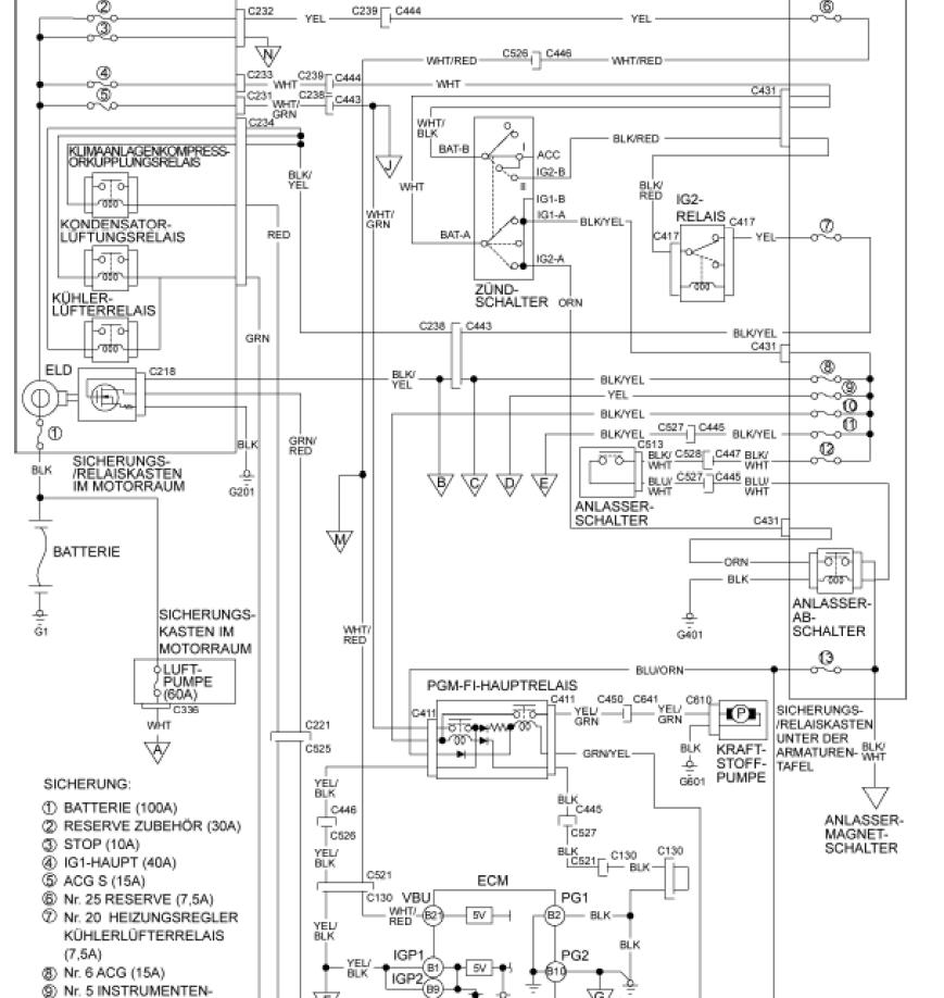
![]()
ZitatOriginal von S-enna_2000
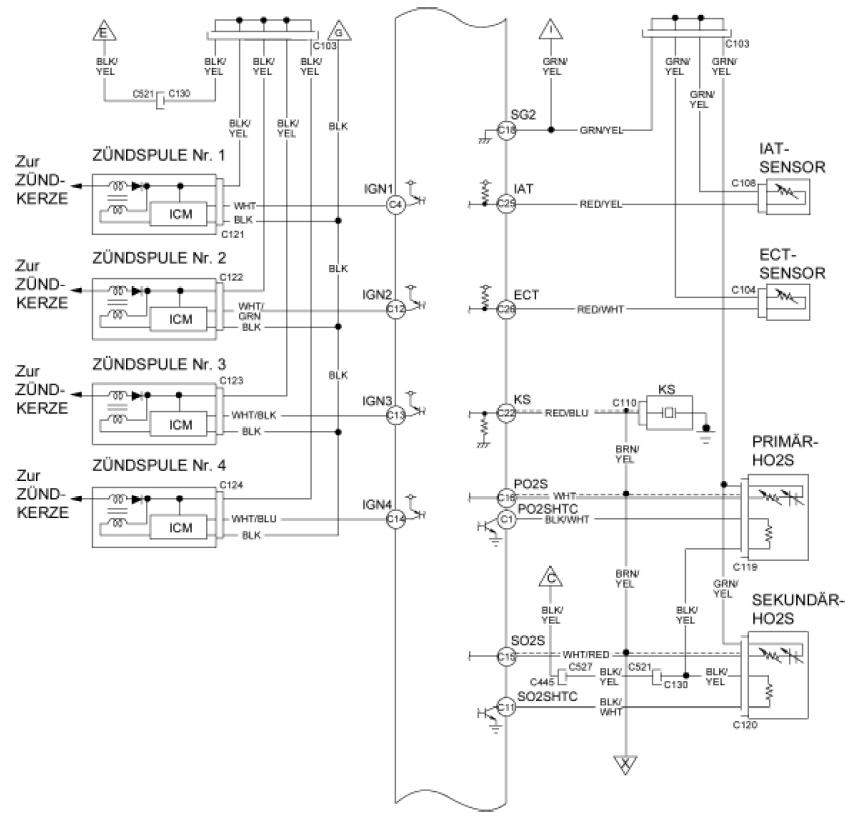
Die Lambda-Regelung sollte auch mit diesem Fehler funktionieren.
...
Glaub' ich nicht. Ich meine damit ich weiss' es nicht genau ;), aber wenn die MIL leuchtet gibt's schonmal 'ne Störung in der Abgasreinigung. Und wenn die primäre Sonde ausfällt, wie soll dann der closed Loop funktionieren?



