hallo,
hab hier was interessantes für alle erfahrenen Schrauber...
nach dem Zusammenbau und Einbau des Motors, haben wir folgendes Problem festgestellt:
Schlüssel wird gedreht, Startknopf wird betätig, Motor dreht - zündet aber nicht (kein Funke an den Kerzen feststellbar) Motorkontrollleuchte blinkt während des Startversuches auf... Sonst leuchtet sie nicht...
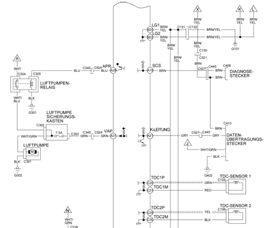
Auslesegerät an das ODB2 - Port gehängt, Schlüssel gedreht - keine Fehler vorhanden - also mal gestartet um zu sehen ob und wenn ja, welcher Fehler kommt - Motor startet problemlos ![]()
Wird der Stecker aus dem ODB2 - Port entfernt - geht der Motor aus
Wird der Motor mit Auslesegerät ca. 10min laufen gelassen, dann abgedreht und der Stecker aus dem Port gezogen, kann der Motor auch ohne Auslesegerät gestartet werden. Jedoch nur 1 mal - den nach dem Abstellen des Motors lässt er sich nur wieder mit dem Stecker im ODB2 - Port starten....
(funktioniert übrigens auch NUR mit dem Stecker und Kabel - also ohne Auslesegerät - wichtig ist nur dass im ODB2 - Port ein Stecker drin is....)
Bei der gestrigen Probefahrt hatte ich den Stecker drauf - und fuhr ohne Probleme oder Fehler ein paar Kilometer - alles OK
Übrigens wurde an der Motorelektronik nichts verändert.
Mein Mechaniker geht der Sache jetzt auf den Grund - aber vieleicht hat ja jemand eine Idee was es sein könnte - oder eine ähnliche Erfahrung gemacht


