Mugen Sports Exhaust: endlich mein

  • Zu den ganzen youtube-vids: Die zeigen allesamt die "alte" Mugen mit den dezenteren Endrohr-Durchmessern.
    An anderer Stelle hier im Forum ist zu lesen, dass die alte und die neue klanglich nicht viel gemeinsam haben; die neue soll um einiges lauter sein.
    TÜV sehe ich auch nicht sooo kritisch. Gibt ja ein paar hier, die sie eingetragen bekamen.
    Jetzt wird es hoffentlich bald März; bis dahin ruht mein S in der Garage - ohne Hebebühne.
    Ich werd' auch mal die Leistung vergleichen. Wenn auch nur bei einer Elastizitätsmessung.
    Mir schwebt vor, im dritten Gang von 2000 bis 8500rpm die Zeit zu nehmen. Zwar etwas hemdsärmlig aber immerhin.
    Wenn ich mit der Mugen nicht länger brauche bin ich schon zufrieden.
    Einen spürbaren Leistungsgewinn erwarte ich nicht. Im Gegensatz zum Fächerkrümmer wird ja bestenfalls der Abgasgegendruck beeinflusst.
    Aber wahrscheinlich werde ich subjektiv 10PS mehr haben :]
    Alexander: Wieder ein Grund mehr nächstes Mal auch bei der Spessart-Tour dabei zu sein :nod:
    Erik: 10,5kg ist ja schon illegal :evil: ;) Also wenn man dann noch Dein Fahrergewicht berücksichtigt...

    Grüße

    Markus

    BJ '05
    Moonrock &
    schwarz/rote Innereien

  • :roll: :roll:

    Naja Marcus so gut sind die 10,5 Kg von Eric auch wieder nicht, schließlich hat er eine Single Anlage. Wenn ich nun bedenke das der einzelne Endtopf mit Rohr 3,5 Kg wiegt.
    alles in allem ist also die Mugen genauso schwer wie die T1R von Eric.

    Wenn man was wirklich leichtest will und eine Anlage mit 2 Töpfe möchte bleibt einem nur die Amuse Titian R1 extra. Die Amuse wiegt komplett 5,8 kg, guckst du hier:
    http://www.webamuse.co.jp/new/products/r1_titan.html

    Allerdings ist der Preis nicht so leicht :D

  • Mugen,... optisch eine sehr schöne Anlage und auch sehr gute Gewichtsersparnis für eine Dual-Anlage. :thumbup:

    Habe sie auch live gehört bei einer Tour und war schon enttäuscht, für meinen Geschmack zu leise.

    Trotzdem Gratulation :thumbup:

    @R510:

    Trumpfi hat eine Amuse R1 Titan.... :thumbup: sehr feine Waare

  • Zitat

    Original von Igor
    ...Habe sie auch live gehört bei einer Tour und war schon enttäuscht, für meinen Geschmack zu leise...

    Ich glaube, dann ist sie genau die Richtige für mich :D
    Sie soll ja in erster Linie nicht laut sondern schön klingen.
    Hatte da schon fast Bedenken weil zwei Forumsmitglieder der Ansicht waren, die Mugen sei "fast schon zu laut".
    Auch dass sie den TÜV-Prüfer bei der Vorbeifahrmessung gerade noch so ein schmerzverzerrtes Nicken abverlangt spricht doch eher für einen lebhaften Klang.

    Bis dann

    Markus

    BJ '05
    Moonrock &
    schwarz/rote Innereien

  • Du wir könnten auch eine vorher/nachher Messung auf dem Prüfstand machen wenn du wissen möchtest was die Mugen bringt ;)

    Das Gewichtsersparnis durch die Auspuffanlage würde ich nicht zu stark gewichten. Es ist zwar ein angenehmer Nebeneffekt aber bringt ja leider nicht all zu viel in Relation. Der S2000 ist zwar Honda-typisch untenherum schwach durch das wenige Drehmoment und dadurch merkt man schon jede gewichtstechnische Veränderung, aber dann müsste man es konsequent durchziehen. Wir haben einen Nissan 350Z VLN Rennwagen mit aufgebaut, dort konnten wir gut 300-400 kg einsparen. Aber das war wirklich konsequent: Makrolon-Scheiben, Carbon-Türen, andere Sitze, Volltitan Abgasanlage einflutig mit nur einem ESD und alles raus was irgendwie Gewicht kostet und Stack rein. Jetzt kommt noch ein 2007er HR Motor mit 313 PS (Serienleistung) rein anstelle des 2003er Motors mit 280 PS.

    Wir haben auch einige Kunden die sich für ihren 350Z schon die AMUSE R1 Titan gekauft haben, wunderschöne Abgasanlage nebenbei bemerkt und verpackt von AMUSE wie eine Ming-Vase, aber wirklich eher was für das Auge und den Klang weil 15 kg Ersparnis bei einem Auto was gut 1600 kg wiegt bringt ja nicht übermäßig viel.

  • GLÜCKWUNSCH, Markus!!! :thumbup::) Da bin ich echt ein bissel neidisch!

    Ich hoffe, wir sehen uns baldmöglichst auf einer Ausfahrt, dann sehe und höre ich mir das gute Stück mal an.
    Andreas hat mir ja auch schon ziemlich den Mund wässrig gemacht. :nod:

    Allerdings, mein S hat noch das "alte" Heck (2003er). Passt diese Anlage da überhaupt drunter?

    "Please take good care of your S2000, keep it by your side for long and enjoy it from the bottom of your heart. And share the quality and legacy of the S2000 with many friends..."
    Shigeru Uehara @ Euromeet 2009

    2 Mal editiert, zuletzt von brunoammain (22. Januar 2008 um 14:53)

  • Amuse ist für mich der Heilige Gral!!

    Dann kommt für mich Js weil's noch raciger ist und dann Mugen.

    lg, NiceGuyAut

    Honda Legend 3,5i V6 18" Superleggera III, H&R
    Honda S2000i VTEC Toda built Engine, Wimmer ECU-tuning, Js Header,
    Js 60RS Dual Titan, CE28N, Carbon Intake/Cooling Paneel, Spoon ETD, H&R Coilovers, Recaro Pole Position, Spoon FD4.44

  • Zitat

    Original von QuantumAutoSport
    Du wir könnten auch eine vorher/nachher Messung auf dem Prüfstand machen wenn du wissen möchtest was die Mugen bringt ;)

    Das Gewichtsersparnis durch die Auspuffanlage würde ich nicht zu stark gewichten. Es ist zwar ein angenehmer Nebeneffekt aber bringt ja leider nicht all zu viel in Relation. Der S2000 ist zwar Honda-typisch untenherum schwach durch das wenige Drehmoment und dadurch merkt man schon jede gewichtstechnische Veränderung, aber dann müsste man es konsequent durchziehen. Wir haben einen Nissan 350Z VLN Rennwagen mit aufgebaut, dort konnten wir gut 300-400 kg einsparen. Aber das war wirklich konsequent: Makrolon-Scheiben, Carbon-Türen, andere Sitze, Volltitan Abgasanlage einflutig mit nur einem ESD und alles raus was irgendwie Gewicht kostet und Stack rein. Jetzt kommt noch ein 2007er HR Motor mit 313 PS (Serienleistung) rein anstelle des 2003er Motors mit 280 PS.

    Wir haben auch einige Kunden die sich für ihren 350Z schon die AMUSE R1 Titan gekauft haben, wunderschöne Abgasanlage nebenbei bemerkt und verpackt von AMUSE wie eine Ming-Vase, aber wirklich eher was für das Auge und den Klang weil 15 kg Ersparnis bei einem Auto was gut 1600 kg wiegt bringt ja nicht übermäßig viel.

    Ist schon klar das man die kleinen Gewichtsersparnisse nicht wirklich fühlen kann.
    Aber erstens die Summe machts und faszination eines Enthusiasten ist befreidigt.

    Wenn man konsequet alle Teile die man im Laufe der Zeit tauscht gegen leichtere Tauscht kommt irgendwann doch mal 50+ zusammen.

    lg, NiceGuyAut

    Honda Legend 3,5i V6 18" Superleggera III, H&R
    Honda S2000i VTEC Toda built Engine, Wimmer ECU-tuning, Js Header,
    Js 60RS Dual Titan, CE28N, Carbon Intake/Cooling Paneel, Spoon ETD, H&R Coilovers, Recaro Pole Position, Spoon FD4.44

  • Zitat

    Original von NiceGuyAut
    Amuse ist für mich der Heilige Gral!!

    Dann kommt für mich Js weil's noch raciger ist und dann Mugen.

    lg, NiceGuyAut

    Ist aber noch steigerungsfähig :D

    (Tracy Sports Titanium Exhaust) Hab ich bei Timo über den Taka Group Buy bestellt 8)

  • Sieht auch fein aus, aber für mich gibt es nix über Amuse, ist Geschmackssache...

    Der Tracy hat gar keinen Mittelschalldämpfer -> der wird L A U T :lol:
    Das Y-Stück beim Trace sieht auf den Fotos ein bischen "gestückelt" aus. Vielleicht ist es aber gerade deshalb "gut".

    Ist sicher ein "extrem" tolles Teil, keine Frage.

    lg, NiceGuyAut

    Honda Legend 3,5i V6 18" Superleggera III, H&R
    Honda S2000i VTEC Toda built Engine, Wimmer ECU-tuning, Js Header,
    Js 60RS Dual Titan, CE28N, Carbon Intake/Cooling Paneel, Spoon ETD, H&R Coilovers, Recaro Pole Position, Spoon FD4.44

  • :D ;)
    Ah der Denis meldet sich auch mal wieder!

    Denke das die neue Mugen unter das 2003 Heck passt, wie das allerdings aussieht kann ich nicht sagen!
    Oder nimmst die alte Mugen mit 90 mm Endrohren!
    Die ist baugleich wie die neue Mugen nur die Endrohre und die Halterung ist anders!

  • Zitat

    Original von brunoammain
    GLÜCKWUNSCH, Markus!!! :thumbup::) Da bin ich echt ein bissel neidisch!

    Ich hoffe, wir sehen uns baldmöglichst auf einer Ausfahrt, dann sehe und höre ich mir das gute Stück mal an.
    Andreas hat mir ja auch schon ziemlich den Mund wässrig gemacht. :nod:

    Allerdings, mein S hat noch das "alte" Heck (2003er). Passt diese Anlage da überhaupt drunter?

    Danke für die Mugen-Wertschätzung, Dennis :D
    Klaro, sobald es März ist und die Anlage unter dem S hängt können wir gerne mal eine "Audio-Session" machen ;)
    Ich bin ja selbst am meisten gespannt, weil ich sie noch nicht live hören konnte. Also die Katze war noch ein kleines Stück im Sack als ich sie gekauft habe.

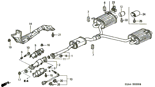
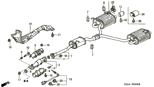
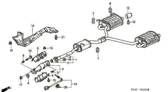
    Die "neue" Mugen passt wohl mit allergrösster Wahrscheinlichkeit auch an die älteren S.
    Wie Andreas schon schrieb: Die Aufhängung hat sich ab '04(?) geändert, aber so, dass alles kompatibel bleibt.
    Wie ich es auf der Zeichnung sehe ist am hinteren Ende des End-SD einfach noch eine Strebe dazu gekommen.
    Du könntest also einfach beim neuen Mugen die eine Strebe frei stehen lassen.
    Hier noch zwei Zeichnungen dazu.

    Gruß

    Markus

  • Zitat

    Original von blafasel

    Ist aber noch steigerungsfähig :D

    (Tracy Sports Titanium Exhaust) Hab ich bei Timo über den Taka Group Buy bestellt 8)

    Ei jei jei, Bernd, eine Anlage komplett aus Titan und mit vergessen gegangenem Mittel-SD - das ist ja richtig radikal :D
    Passt aber auch bestens zu den übrigen Mods an Deinem Motor.
    Und sicher hast Du auch keine einzige Sekunde mit dem Gedanken gespielt damit beim TÜV vorzufahren :D
    Diese gestückelten Bögen sind ja auch martialisch - sind aber eine schöne Zweckmässigkeit, wahrscheinlich weil sich Titan nicht so gut biegen lässt, oder?

    Was mich bei dem ganzen Titan etwas überrascht hat: Es soll wohl ab 400°C an Festigkeit verlieren :o (Quelle: Wikipedia)
    Das würde mir bei einer 100%-Ti-Anlage bisschen zu denken geben.
    Andererseits werden ja auch Turboladerschaufeln daraus gemacht. Und vielleicht macht es ja auch die Legierung.
    Aber da weisst Du sicher mehr aus der "Luftfahrt" ;)

    Gruß

    Markus

    P.S.: Alleine schon auf den Bildern sieht man, dass bei der Tracy mächtig viel Schall 'raus kommt...

    BJ '05
    Moonrock &
    schwarz/rote Innereien

  • Zitat

    Original von QuantumAutoSport
    Du wir könnten auch eine vorher/nachher Messung auf dem Prüfstand machen wenn du wissen möchtest was die Mugen bringt ;)

    Das Gewichtsersparnis durch die Auspuffanlage würde ich nicht zu stark gewichten...

    Nee, lass ma'; die zwei, drei PS Mehrleistung sind wahrscheinlich gar nicht ernsthaft zu messen.
    Und schon gar nicht bei der von mir geplanten Beschleunigungsmessung. Da macht eine Windböe mehr aus. Deshalb werd' ich das auch lassen :blush:
    Gleiches gilt ja auch für die Gewichtsersparnis. Sowas wird man kaum merken.
    Aber es gibt wohl kaum ein einziges Bauteil an dem man so viel sparen kann.
    Weder Gewicht noch Leistungszuwachs waren ja Motiv bei meiner Auspuff-Wahl.
    Der zu erwartende Klang, die Optik (wenn auch der Endrohr-Durchmesser hart an der Grenze ist) und natürlich die Materialien und die Verarbeitung...(Dennis, ich leih' mir grad mal Dein smily)

    Bis dann

    Markus

  • Deine Mugen Anlage ist wirklich was Feines, Markus! Hatte ich auch in der Wahl aber dann für mich entschieden ich will 'ne Titan-Anlage. Sozusagen als Wertanlage :D

    Die 60er Tracy Sports soll aber leiser sein als die J's Anlage. Über TÜV mache ich mir tatsächlich erstmal keinen Kopf. Und das Titan anfälliger für Rissbildung ist, stimmt auch nicht immer so. Wir setzen an einigen hochbelasteten Strukturen auch Titanbleche als Crackstopper ein. Ist immer abhängig von der Legierung.

    Freu mich schon auf die Teile - kannst Du ja gut nachfühlen.

  • Zitat

    Original von blafasel

    ...Freu mich schon auf die Teile - kannst Du ja gut nachfühlen.

    Oh ja, und nicht zu knapp ! !
    Ich glaube ich brauch dann auch seelischen Beistand wenn ich nach der Mugen-Montage erstmals meinen zittrigen Zeigefinger auf den roten "engine-start-Knopf" drücke :lol:
    Und das viele Geld dafür spielt auch keine Rolle mehr wenn man bedenkt wie viel Spaß solche Teile einem bringen :nod:
    Ich bin da wohl auch seeehr begeisterungsfähig :)
    Ich geh' gleich nochmal in den Keller und prüfe ob sich die Endtöpfe noch genau so schön anfühlen wie gestern und ob der Edelstahl noch genau so schön glänzt......wie sind doch hier unter uns, oder????
    :lol: :lol: :lol:
    Und danach verehre ich noch meine neue Domstrebe, gell Andreas?

    Bis dann

    Markus

    BJ '05
    Moonrock &
    schwarz/rote Innereien

    Einmal editiert, zuletzt von S-enna_2000 (22. Januar 2008 um 20:29)

  • Zitat

    Original von S-enna_2000

    Ich geh' gleich nochmal in den Keller und prüfe ob sich die Endtöpfe noch genau so schön anfühlen wie gestern und ob der Edelstahl noch genau so schön glänzt......wie sind doch hier unter uns, oder????
    :lol: :lol: :lol:

    Bis dann

    Markus

    Falls Du dann später Tipps brauchst wie man die Mugen im eingebauten
    Zustand am besten von unten polieren kann, wende Dich ruhig an mich. :D

  • Zitat

    Original von S-enna_2000
    ...
    Ich geh' gleich nochmal in den Keller und prüfe ob sich die Endtöpfe noch genau so schön anfühlen wie gestern und ob der Edelstahl noch genau so schön glänzt......wie sind doch hier unter uns, oder????
    :lol: :lol: :lol:
    Und danach verehre ich noch meine neue Domstrebe, gell Andreas?

    Bis dann

    Markus


    :lol: :lol: :lol: Oh Mann, Dich hat's ja wohl richtig erwischt, was?!! Aber nur zuuu verständlich!!! :nod: :D


    Apropros Domstrebe: Ich hab mir diese Woche endlich auch 'ne Carbon-Domstrebe bestellt. Ääätsch!!!
    ...und noch 'ne skeed!-Brace. Aber pssst... :roll: ;) :D

    "Please take good care of your S2000, keep it by your side for long and enjoy it from the bottom of your heart. And share the quality and legacy of the S2000 with many friends..."
    Shigeru Uehara @ Euromeet 2009